1、液壓系統組成
500t殘極破碎機是炭素廠的關鍵設備。其液壓系統主要由液壓站、軌道及其潤滑系統、主缸、充液閥、油缸、管路和電氣控制系統等組成,其中液壓站又由箱體、泵機組和閥組等組成。其液壓系統如圖1所示。泵機組由兩臺柱塞泵和兩臺四極電機組成;電氣控制箱體由操作臺和控制柜等組成,電氣系統采用PLC控制。
2、液壓系統特點
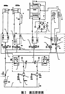
本液壓系統性能穩定可靠,工作壽命長;共配置兩臺柱塞泵,一備一用,亦可兩臺泵同時工作;油泵采用Parker生產的定量柱塞泵,其噪音減小,工作性能穩定;使用壽命將比傳統的齒輪泵提高二倍以上。閥件全部采用Parker原裝疊加閥形式的集中安裝:其體積小,外觀整齊,鋼管采用精密無縫鋼管,油管接口少,泄漏點少。整個系統具有壓力穩定、速度快、無泄漏、易于維修、工作效率高、自動化程度高、管路簡單和使用壽命長等特點。其液壓原理圖(見圖2)。

2.1溢流閥
系統壓力控制采用Parker生產的RS電磁溢流閥,該閥為一先導式溢流閥,具有堅固的閥體,它是由一個筒形插裝閥作為主級以及螺紋式插裝閥作為先導級所組成的,通過安裝在閥體上的電磁換向閥可進行電控卸壓(見圖3)。

2.2電磁換向閥
本系統所有的換向閥均為Parker生產的先導式換向閥。主滑動閥芯通過控制油的壓力換到所要求的位置上并通過止擋機構、定位機構或彈簧保持在其位置上。油口工作壓力可達35MPa。其結構簡圖見圖4。
2.3單向節流閥
本液壓系統所有的節流閥均為Parker生產的,最大工作壓力除FM6為21MPa外,其余均為35MPa。它是一種疊加元件.用于和帶有標準化連接孔的換向閥進行疊加式連接。在兩個流道A和B配置有節流閥和單向閥(見圖5)。通過改變安裝位置或內部元件,可實現進口或出口節流功能。此外,節流閥還可以用于控制先導式換向閥的換向時間。

2.4油泵
油泵選用Parker公司生產的JMF12 -110型定量柱塞泵,其結構簡圖見圖6,該泵具有以下幾個特點:

由于獨特的球柱塞設計,能在極高的軸轉速下使用。工作壓力可達到48MPa。軸與缸體之間的40°角,使得本泵十分緊湊、重量輕,僅有36kg。獨特的疊層活塞環,保證了本泵內泄漏小耐沖擊,最高工作溫度可達80C。精心設計的配流盤,提高了轉速和降低噪聲,最高轉速可達3600r/min。獨特的齒輪設計使軸與缸體同步。具有設計簡單、運動部件小、可靠性高、結構堅固、使用壽命長。排量110.lcrⅡ3/rey。可在- 40C一80qC下可靠工作。
2.5電氣控制系統
電氣控制系統采用西門子公司S7 - 200系列PLC進行控制,CPU模塊為226XM,它包括一個中央處理單元( CPU)、電源以及數字量I/O點。主要由控制柜、操作臺、端子箱、電器元件、執行元件、檢測元件等構成。操作臺上相應的動作按鈕及指示燈,可實現自動/手動轉換及相應的動作操作,指示燈反饋相應的動作或故障信息。還設有冷卻系統、潤滑系統。
3、液壓系統的維護
(1)定期檢查潤滑系統管路,如發現接頭松動脫落、管子斷裂等現象,應及時更換管件。
(2)當泵統重新配管結束后,運轉之前,必須預先向系統內充填潤滑脂。充脂前,必須對配管系統進行沖洗或用壓縮空氣吹掃,把塵粒趕出后(焊接、攻絲施工后要進行酸洗),將潔凈的潤滑脂充填。
(3)定期檢查干油泵貯油器的油位,如果出現油位過低,應及時加補潤滑脂。
(4)向干油泵貯油器內補潤滑脂必須使用手動或電動加油泵從貯油器的加油口加入。
(5)干油泵貯油器內無潤滑脂時嚴禁啟動干油泵。
(6)電機旋轉方向必須與貯油桶壁上旋向牌規定的旋向一致,不得反接。
(7)干油泵貯油器加油口的過濾網應定期清洗。
(8)干油泵應經常保持清潔,避免贓物進入泵體內,影響正常工作。
(9)潤滑脂的錐入度不低于300( 25。C,150g)1/lOmm的潤滑脂。
4、常見故障及排除方法


5、各主要元件常見故障分析
5.1液壓泵常見故障分析
(1)不出油、輸出油不足、壓力上不去,可能的原因有電機旋向不對、吸油管或過濾器堵塞、軸向間隙或徑向間隙過大、連接處泄漏,混入空氣、油液粘度太大或油液溫升太高等原因。
(2)噪音嚴重,壓力波動厲害,可能的原因有吸油管及過濾器堵塞或過濾器容量小、吸油管密封處漏氣或油液中有氣泡、泵與聯軸器不同心、油位低、油溫低或粘度大、泵軸承損壞等原因。
(3)泵軸頸油封漏油,可能的原因有漏油管道液阻過大,使泵體內壓力升高到超過油封許用的耐壓值。
5.2換向閥故障分析
(1)滑閥不換向,可能的原因有滑閥卡死、閥體變形、對中彈簧折斷、操縱壓力不夠、電磁鐵線圈燒壞或電磁鐵推力不足、電氣線路故障、液控換向閥控制油路無油或被堵塞等原因。
(2)電磁鐵控制的方向閥作用時有響聲,可能的原因有滑閥卡住或摩擦力過大、電磁鐵不能壓到底、電磁鐵鐵芯接觸面不平或接觸不良等。
5.3溢流閥故障分析
(l)壓力波動,可能的原因有彈簧彎曲或太軟、錐閥與閥座接觸不良、鋼球與閥座密合不良、滑閥變形或拉毛、油不清潔,阻尼孔堵塞等。
(2)調整無效,可能的原因有彈簧斷裂或漏裝、阻尼孔堵塞、滑閥卡住、進出油口裝度、錐閥漏裝等。
(3)泄漏嚴重,可能的原因有錐閥或鋼球與閥座的檢查不良、滑閥與閥體配合間隙過大、管接頭沒擰緊、密封破壞等。
(4)噪音及振動,可能的原因有螺帽松動、彈簧變形不復原、滑閥配合過緊、主滑閥動作不良、錐閥磨損、出油路中有空氣、流量超過允許值、和其它閥產生共振等。
5.4節流閥的故障
(1)節流作用失靈及調整范圍不大,可能的原因有節流閥和孔的間隙過大、有泄漏以及系統內部泄漏節流孔堵塞或閥芯卡住。
(2)運動速度不穩定如逐漸減慢、突然增快及跳動等現象,可能的原因有油中雜質粘附在節流口邊上,通油截面減少,使速度減慢,節流閥的性能較差,低速運動時由于振動使調節位置變化,節流閥內部、外部有泄漏,油溫升高,油液粘度降低,使速度逐步升高,阻尼裝置堵塞,系統中有空氣,出現壓力變化及跳動。
6、結語
要做到液壓系統的合理使用,還須注意油箱中的液壓油應經常保持正常液面,液壓油應保持清潔,在擦拭泵、閥或裝油液的容器時要極力防止布屑之類落入油液中,換油時加入油箱的過濾精度不低于20微,換油液時須將油箱內部的舊油液全部放盡,并清潔油箱及清洗過濾器,在拆開液壓站及回路上的元件時,應特別注意防止現場的粉塵、污物、雜質進人系統內,應采取密封措施。
三門峽富通新能源銷售顆粒機、破碎機、秸稈壓塊機等機械設備。