1、引言
發電廠采用翅片管式的空冷散熱器,直接或間接用環境空氣來冷凝汽輪機的排汽,稱為發電廠空冷。發電廠空冷系統也稱干冷系統,它是相對于常規發電廠的濕冷系統而言的。濕冷系統是把冷卻塔內的循環水以“淋雨”方式與空氣直接接觸進行熱交換,整個過程處于“濕”的狀態:而空冷系統的循環水與空氣是通過散熱器間接進行熱交換的,整個過程處于“干”的狀態,所以空冷塔又稱為干式冷卻塔或干冷塔。
發電廠空冷技術是一種節水型的火電發電技術,與濕冷系統比較,具有冷源充足、節省冷卻用水、減少環境污染和維護費用低廉的優點,一般空冷電站的耗水量僅為水冷電站的三分之一,因此,特別適合我國缺水而煤炭資源豐富的三北地區,尤其適合2×300lvIW和2×600MW的大型火力電站。國務院《國民經濟和社會發展“十一五”規劃任務分工》將大型空冷電站列為能源工業重點工程;國家發改委《關于燃煤電站項目規劃和建設的有關要求的通知》明確要求,在煤炭資源豐富的地區,規劃建設煤礦坑口或礦區電站項目;在北方缺水地區,新建、擴建電廠禁止取用地下水,嚴格控制使用地表水,原則上應建設大型空冷機組。
近些年來,隨著空冷技術的日趨成熟及國內空冷器生產廠家的不斷發晨壯大,空冷技術已逐漸成為新增火電廠主要采用的冷卻技術,這為變頻器在空冷系統中的應用帶來了廣闊的空間。
2空冷系統簡介
2.1空冷系統分類
空冷系統一般分為兩大類直接空冷系統和間接空冷系統,其中間接空冷系統又分為混合式空氣冷卻系統和表面式空氣冷卻系統。直接空冷系統是通過機械通風或自然通風的方式將汽輪機排汽直接用空氣冷卻;而間接空冷系統是將從汽輪機表面式凝汽器來的冷卻水在冷卻塔中得到冷卻。相對于間接空冷系統,直接空冷系統因投資少、占地少、煤耗低及防凍過夏方式靈活可靠而居于領先地位,目前,全世界的空冷機組裝機容量中,直接空冷機組約占60%,而間接空冷機組約占40%,且直接空冷所占比例上升趨勢明顯。
2.2直接空冷系統組成及特點
直接空冷系統建筑規模龐大,一般稱為空冷島,主要包括凝結水系統(凝結水箱)、真空疏水系統(包括疏水泵)、排氣/抽氣系統(水環泵單元)及空冷凝汽器(ACC)四套系統,通過DCS集散控制系統實現對這四套系統的自動檢測、自動調節、順序控制和自動保護等自動控制功能,其流程如圖表1所示,汽輪機排汽通過粗大的排汽管道送到室外的空冷凝汽器內,軸流冷卻風機使空氣流過散熱器外表面,將排汽冷凝成水.凝結水再經泵送回汽輪機的網熱系統。在直接空冷機組正常運行中,系統主要控制的項目是排汽壓力和凝結水溫度,在汽輪機安全運行允許范圍內,根據機組的發電負荷(空冷凝汽器的熱負荷)和空氣溫度,調整進入空冷凝汽器的空氣流量(即調整風機轉速).使風機功率保持在最佳狀態,風機將在最高轉速和最底限速之間的范圍內運行。在投入自動的情況下,汽輪機排汽壓力控制器提供風機的正確轉速控制。直接空冷系統是一個復雜的系統,關系到整個機組的安全穩定運行,而調整風機轉速的變頻器是系統中的重要部件。

2.3直接空冷通風系統
直接空冷系統散熱目前均采用強制通風,為減少風機臺數大型空冷機組宜采用大直徑軸流風機,通常直徑達9.14m或10. 36m,風機轉速的控制可分為單速、雙速及變頻調速等多種類型,一般可根據工程條件選擇任一種或幾種優化組合方案。就目前國內外設計和運行經驗而言,采用變頻調速更有利于變工況運行,同時也可大大降低廠用電耗,并實現電機軟起動,避免電網沖擊,降低電機噪聲和磨損,這有利于保護環境,降低維護費用并極大的延長了空冷器的使用壽命。國內電廠單臺300Nll/V/600 ldW直接空冷機組軸流冷卻風機典型配置如圖表2所示。


軸流冷卻風機一般在一個水平平面內布置,形成了龐大的軸流冷卻風機群,電廠設有空冷器變頻間,龐大的變頻控制柜矩陣布置在空冷器變頻間,變頻控制柜通過硬接線和通訊與主DCS或空冷系統DCS相連接,DCS能根據不同的蒸汽負荷和環境溫度控制風機啟停及轉速,使汽輪機的排汽壓力保持恒定。
單臺600Mw機組空冷凝汽器及軸流風機排列配置如圖表3所示。
直接空冷系統實景圖如圖表4所示。
3、直接空冷系統對變頻器的要求
3.1 一般要求
(1)由于軸流風機轉動慣量大,變頻器必須滿足軸流風機的重載啟動與運行要求,過載能力要高于一般風機應用水平,60s過電流能力要在120%以上。
(2)變頻器要滿足適應風機類變轉矩負載的應用要求,其控制方式要采用V/F平方特性曲線,最好采用基于磁通矢量控制的節能控制模式,以實現負載較輕時自動調節勵磁電流,從而降低功耗,提高效率,在最大范圍內實現節能。
(3)由于軸流風機的轉速控制要求在300/6~120%額定轉速范圍內調節,變頻器必須具有較寬的頻率輸出范圍,同時必須考慮變頻器由于轉速提高所引起的轉矩損失,以及由于電機、齒輪箱、電纜及濾波器導致的功率損失,必要時可考慮放大一級選擇變頻器,以取得良好的過載能力、制動能力及過熱能力。
(4)變頻器必須要具備較寬的開關頻率調整范圍,并能夠根據電機的運行狀態自動調整,從而有效的降低電機噪音及溫升。
(5)變頻器必須具備較寬的電壓波動范圍,以滿足電網電壓跌落到電機額定電壓80%左右時,仍能使軸流風機正常起動或運行,并且在電源電壓瞬時掉電以及跌落5096的水平時仍能保證連續運行。
(6)變頻器自身的EMC水平必須滿足IEC/EN61800 -3的相關標準,包括EMC抗干擾性、傳導和輻射式的ENIC電磁兼容性及電流諧波水平等。如變頻器不滿足上述標準必須加裝相應附件。如為提高EhfC抗干擾性及傳導和輻射式的EMC電磁兼容性必須在輸入側和輸出側加裝EMc濾波器;為降低電流諧波水平必須使用直流電抗器或交流進線電抗器;為降低諧波對電機及長距離傳輸轉矩損失的影響必須使用輸出電抗器或DV/DT濾波器:為防止變頻器EMC電磁干擾對周圍設備及電機產生影響必須選擇使用屏蔽電纜或變頻專用電纜。
(”由于直接空冷系統變頻器較為集中,電流諧波較大,因此要求變頻系統必須滿足國標GB/T14549 - 93-電能質量公用電網諧波標準。如不滿足需考慮相應治理措施,如為變頻器增設無源濾波器或采用有源濾波器綜合治理案。
(8)為方便現場監視,要求變頻器配備LCD中文顯示面板。
(9)變頻器必須要具有足夠的輸入輸出接口,并支持至少一種主流工業現場總線協議,如Modbus,Canopen,Profibus DP,DeviceNet,EtherNet等,用于接受DCS系統或其他控制系統的指令,并反饋變頻裝置的主要狀態信號及報警信號。
(10)變頻器必須具有適合直接空冷風機控制的常用功能,如旋轉負載捕捉、自動重起動、飛車起動及直流制動或回饋制動等。
(11)變頻器必須具備齊全的保護功能:對自身要具備過熱保護、功率元件診斷、輸入輸出缺相、直流母線過壓等自我保護措施;對電機要能提供過載、欠載,接地、過壓、欠壓、過熱、缺相等保護,并可與電機PTC熱敏元件相連,實現直接的過熱保護,而不需要增加轉換元件。
(12)變頻器必須具備故障管理功能,當變頻器出現如電機過熱、電機缺相、0--20mA信號缺失、通訊丟失等故障時,能夠選擇不同的處理方式,如忽略、報警、停機或保持等,在最大程度上保證負載或系統的運行安全。
3.2 控制要求
(1)變頻器設計時要考慮風機的反向旋轉,需要為正向和反向運行分別分配一個邏輯輸入端子。
(2)變頻器的操作面板安裝在控制柜的柜門上,用于監視電機運行的相關參數,如電流、頻率、轉速及有功功率等,同時用于實現切換為本地面板控制功能,正向或反向運行、故障復位及頻率調整等均通過操作面板進行。
(3)變頻器控制柜設操作員控制及指示裝置控制裝置包括手自動切換開關、手動速度調整電位器、正向和反向運行、停止按鈕,故障復位按鈕等:指示裝置包括電源指示、變頻器正反轉運行及故障指示等。
(4)控制柜與DCS或其他控制系統的接口:采用輸入輸出方式或通訊方式。采用輸入輸出方式時,變頻器為上位系統提供變頻器正反轉運行及故障信號,2路0~20mA模擬量信號(用于顯示電流及頻率);上位系統為變頻器提供正反起停信號、故障復位信號、l路0—20mA模擬量信號(用于變頻器頻率給定及調整);采用通訊方式時,變頻器僅需要根據上位系統總線類型提供一個通訊接口,所有控制及狀態監視均通過通訊完成,在通訊模式下需要為變頻器提供獨立的DC24V控制電源,保證通訊可靠。
(5)根據系統情況,可為每臺變頻器控制柜或一組變頻器控制柜配置PLC控制器,實現本地控制或用于通訊管理。
(6)控制方式說明:變頻系統具備三種控制模式——上位系統自動控制、控制柜手動控制、操作面板控制,在正常生產運行時,起停、運行調整均由上位系統完成;而調試或有意外情況時,切換到本地由柜門操作按鈕或面板來控制。
3.3 變頻器控制柜要求
(1)變頻器控制柜柜體型號采用標準GGD柜或品牌柜改型,防護等級為IP23以上,柜門采取相應措施提高抗射頻干擾能力,機柜要求滿足由柜底或柜頂進線的要求。
(2)變頻器控制柜設計時要考慮到變頻器功率元件的散熱問題,在柜體的下部設進風口,在柜體的上部設強制排風扇,風扇的流速要大于變頻器自身的散熱風扇的流速,另外,出風口需設法蘭接口,以便于與配電室排風風道連接。
4、ATV61變頻器在直接空冷風機上的應用解決方案
4.1產品簡介
ATV61系列變頻器是施耐德電氣繼ATV71之后,基于同一技術平臺推出的針對于風機泵類負載應用的變轉矩變頻器,其功率范圍從0. 75kw到1400kw,提供IP20、IP54防護等級的單機產品,90kw以一j:還提供IP23及IP54的整機機柜產品,廣泛應用于工業及商業建筑領域的通風、供水及暖通空調等場合,ATV61有著較高的技術性能指標,如圖表5所示。
4.2產品選型
為滿足直接空冷系統對變頻器的要求,ATV61的選型方案如下所示(以132KW電機為例);
(1)選擇IP20不帶直流電抗器的單機產品,型號為ATV61HC13N4D,也可根據工程實際情況放大一級選用,以提高抗過載能力,型號為ATV61HC16N4D。
(2)配置交流進線電抗器選件,用于滿足IEC/EN61800-3關于產品的諧波電流標準,選件型號為VW3 A4 560。
(3)配置電機電抗器,用于抑制輸出側DV/DT,減少變頻器對地泄漏電流及改善輸入到電機的電流波形,降低轉矩損失及增大變頻器的輸出距離,選件型號為VW3 A5 105。
(4)選擇屏蔽電纜或變頻專用電纜,用于減少變頻器對周圍其他設備的電磁干擾。
(5)采用輸入輸由控制方式時,配置I/O擴展卡,滿足模擬量輸出及邏輯和繼電器輸出需求,選件型號為VW3 A3
202.
(6)采用通訊控制方式時,根據工程需要配置通訊接口類型,建議采用內置的CanOpen總線協議。
(7)其他均采用ATV61的標準酉己置方案,如A級EMC濾波器,中文顯示面板等。
4.3應用方案祥解
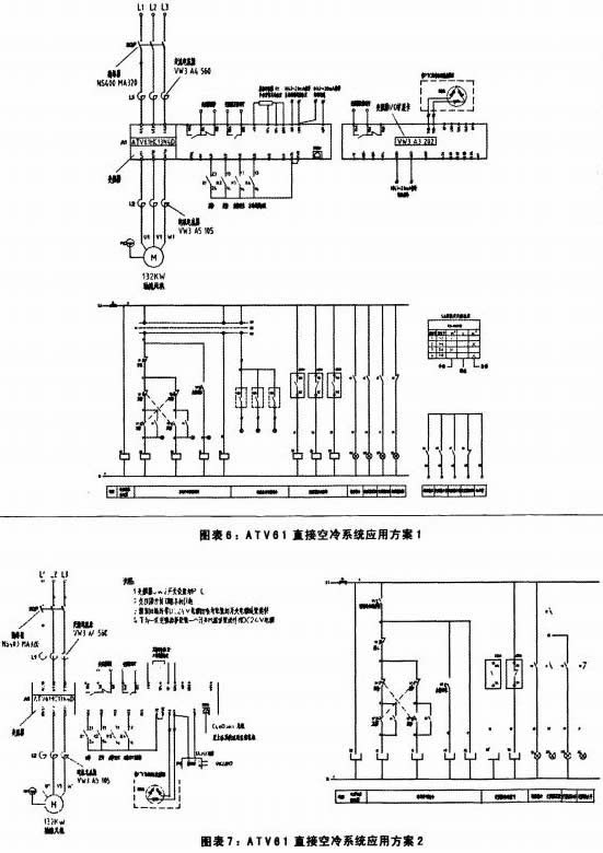
4.3.1方案一:采用輸入輸出控制方式
該方案控制原理圖如圖表6所示。
4.3.2方案二:采用通訊控制方式
該方案控制原理圖如圖表7所示。
4.4調試軟件
直接宅冷電廠大量應用變頻器,這為設備的調試和維護工作帶來了新的挑戰,選擇基于PC的變頻器調試軟件可以很好的解決這一問題。施耐德提供PowerSuite軟件工具包用于ATV61變頻器及其他電機控制設備的設置及調試工作。PowerSuite支持Modbus、Modbus TCP及Bluetooth等眾多連接類型,并且除支持單個設備的點對點連接之外,還支持多個設備的多點連接,為設備調試和維護,以及遠程監視和診斷提供了靈活的解決方案。
PowerSuite的應用功能如圖表8所示。
PowerSuite的用戶界面如圖表9所示。
4.5 方案優勢
ATV61變頻器應用于直接空冷系統的主要優勢如圖表10所示。



五、結束語
ATV61是施耐德最新推出的專注于風機泵類應用的高性能變頻器,完全勝任直接空冷系統對變頻器的眾多要求。無論采用傳統的輸入輸出控制方式,還是采用基于通訊的控制方式,ATV61均能提供優異的解決方案,并保證系統運行可靠,值得在空冷電廠中廣泛推廣采用。
三門峽富通新能源可以根據客戶的需求定做各種類型的高低壓配電柜。(鞏義配電柜定做、三門峽配電柜定做、洛陽配電柜定做、鄭州配電柜定做)